Adapted from product training info
For informational and research purposes
Foreword
The Fiesta RS Turbo is a logical extension to the Ford range of high performance vehicles.
In view of the increased output of the 1.6 CVH/EFI engine, achieved by turbocharging, it has proved necessary to implement several design modifications compared to the Fiesta XR2i.
Modifications which serve to increase performance have, in part, been adopted from the Escort RS Turbo.
All modifications and innovations implemented on the Fiesta RS Turbo as opposed
to the Fiesta XR2i are described in this Technicians Product Training brochure.
The colours used for the coloured illustrations in this have the following
significance:
Red – New – New component for Fiesta RS Turbo
Yellow – Modified – Modified component of another vehicle
Green – Unchanged – Component adopted unchanged from another vehicle
The Fiesta RS Turbo is only available in compliance with the 15/04 Emission
Regulation.
General
Vehicle Dimensions

Vehicle Data
Weight (kg)
– Unladen weight 930
– Permissible total weight 1350
– Permissible axle load – front 750
– rear 650
Fuel consumption (l/100 km (mpg))
– Town traffic 10.7 (26.4)
– 90 km/h (56 miles/h) 6.2 (45.6)
– 120 km/h {75 miles/h) 8.2 (34.5)
Maximum speed (km/h (miles/h))
– 205 (127)
Acceleration 0-100 km/h (60 miles/h) (s)
– 8.2
Output
– 96 kW (130 HP) at 5500 rpm
Torque
– 180 Nm at 2400 rpm

Component Survey
Engine
1.6 CVH/EFI turbocharged engine
Transmission
5-speed transmission as XR2i
Front Axle / Suspension
External shock absorbers as XR2i but set harder, springs as XR2i
Steering
As XR2i but with modified transmission ratio (3.75 turns from lock to lock)
Rear Axle / Suspension
Unique spring struts for Fiesta RS Turbo, additional stabilizer
Wheels / Tyres
Summer tyres: 185/55 R 14 78V on special 14 x 5 1/2 J aluminium rims
Winter tyres: 155/70 SR 13 on 13 x 5 J steel rims
Brakes
as XR2i:
– Front disc brakes
– Rear drum brakes
– Optionally with Lucas anti-lock braking system SCS
– Brake pads externally identical but improved material
Chassis
Wheels / Tyres
Unique aluminium rims, size 14 x 5 1/2 J
Note: Install wheel caps in the correct position. Align mark on rear of cap with the valve (see fig.)
New tyres, size 185/55 R 14 78V, with same tyre pressure as XR2i.
Approved makes:
– Pirelli P600
– Dunlop D8
– Uniroyal 340/55
– Michel in MXV2
Winter tyres 155/70 SR 13 on size 13 x 5 J steel rims.

2 Valve
Front Axle/Suspension
Individual wheel suspension with McPherson spring struts as XR2i.
Modifications:
– Shock absorbers with revised damping rate
– Modified suspension arm ball joints
Suspension Arm
The ball joints (2, see fig.) of the suspension arms (1) have been offset by 10 mm to the outside and rear.

Wheel Alignment
Note: The specified values apply to an unladen vehicle with 3 litres of fuel in the fuel tank.
Toe Setting;
Allowable tolerance before resetting is required – -4.0 mm (toe out) to 0 mm
Setting adjustment, if required – -2.0 mm (toe out) + 1.0 mm
| Nominal | Tolerance Range | |
| Castor | -1.45 | 0.45 to -1.15 |
| Camber | -1.15 | -2.3.0 to 0 |
Rear Axle / Suspension
The multiple link axle has been adapted from the Fiesta XR2i, but with the following modifications:
In the no-load setting, the unique spring struts (1, see fig.) for Fiesta RS Turbo are 25 mm shorter with revised damping rate.
Additional stabilizer (2) for improved vehicle handling.
Two brackets (3) for stabilizer welded to rear axle.

Engine
Technical Data
Engine: 1.6L-CVH-Turbo
Engine systems: Electronic engine management (EEC IV), Distributorless ignition system (E-DIS 4), Electronic fuel injection (EFI), Turbocharger (Garrett T2)
Exhaust emission level: – 15/04
Bore: – 80.00 mm
Stroke: – 79.50 mm
Displacement: – 1598 cm3
Compression ratio: 8.2 : 1
Power output: 96 kW (130 PS) at 5500 rpm
Torque: 180 Nm at 2400 rpm
Idle speed: 900 ±50 rpm
Max. intermittent engine speed: 6450 rpm
Max. continuous engine speed: 6250 rpm
Firing order: 1-3-4-2
Spark plugs: AGPR902Cl
Electrode gap: 1.0 mm
Fuel quality: 95 RON
Idle CO setting: 1.5 ±0.25 % (Fan on)
Engine oil specification: FORD SUPER ENGINE OIL or MOTORCRAFT SUPER ENGINE OIL; if not available, Grade API-SF/CD
Engine oil capacity: Initial fill 3.95 l; Service fill with filter replacement 3.6 l; without filter replacement 3.35 l
Basic Engine
The Fiesta RS Turbo is equipped with the well proven 1.6 CVH engine of the XR2i.
Modifications:
Carryover Escort RS Turbo
Revised air cleaner top
New aluminium cross over duct
New exhaust manifold with new heat shield
Turbocharger
Installation and Removal
NOTE: The turbocharger must be detached in order to remove the alternator bracket
Pistons
Carryover Escort RS Turbo pistons (see fig.) with flat piston crown.

New Intake Duct
Additional intercooler (4, see fig.) between compressor-turbocharger (3) and cross over duct.
New aluminium cross over duct (5) mounted on rocker cover.
Idle speed control valve (8) allows intake air to flow from the air chamber directly to the intake manifold (7) at idle speed.

Lubrication Circuit
The lubrication oil circuit has been extended in order to supply the turbocharger.
The oil pressure switch (6, see fig.) is now mounted on an adapter (5), which also connects the oil supply pipe to the turbocharger.
An oil cooler (2) is additionally installed between the crankcase and oil filter ( 4).

Tightening torques:
– Oil cooler mounting 55 – 60 Nm
– Adapter 15 – 41 Nm
– Oil pressure switch 25 – 29 Nm
Positive Crankcase Ventilation
The direction of flow of crankcase fumes depends on the load status of the engine.
In the idle or partial load range, the crankcase fumes flow from the sump via the crankcase and the rocker cover to the filter (A, see fig.). Here, fresh air is added from the air cleaner and the fumes flow back to the crankcase-rocker cover connection point.
In the full load range, the fumes flow from the filter to the air cleaner and are then made available for combustion.

Cooling System
The cooling system has been adapted from the XR2i, however;
New radiator and fan
Additional cooling facilities for turbocharger
Oil cooler as Escort RS Turbo

Exhaust Manifold
New exhaust manifold (1, see fig.) made of ni-resistant cast iron, providing improved corrosion resistance.
New heat shield (2) to protect hoses and wiring from the heat of the exhaust manifold.

Engine Management
The engine management system is based on that of the XR2i, however, modifications have been necessary due to the use of a turbocharger.
Modfiications:
– Additional boost pressure control valve and turbocharger wastegate control

The engine management consists of the EEC IV module, the electronic fuel injection system EFI and eleectronic distributorless ignition system E-DIS 4. A Garrett T2 exhaust turbocharger is additionally used to increase output.


Turbocharger System
The Fiesta RS Turbo is equipped with a new Garrett T2 turbocharger.
The EEC IV module controls the charge pressure by way of the boost pressure control valve and the turbocharger wastegate control.
The turbocharger system is additionally equipped with an intercooler.
Turbocharger Oil Supply
The oil supply for the turbocharger (1, see fig.) is taken via the oil supply pipe (2) from the adapter next to the oil cooler on the crankcase to the turbocharger.
The oil return pipe (3) leads from the turbocharger via the crankcase to the sump.

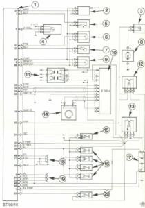
Wiring Diagram
Worth noting that there is an early type and late type here and I don’t know which one the below exactly refers to.
From the info I have searched, there is an ECU ‘OFAB’ that is the early type & ‘OFAC’ that is the later type.
The ‘OFAC’ has a digital MAP sensor. The plugs are different and the pinout at the ECU may be different.
This info is sourced from a 1990 document, so would imagine is the early type.


Engine / Transaxle
Exhaust System
Due to the use of a turbocharger, it has been necessary to modify the front exhaust pipe. The exhaust system is similar to XR2i but has larger pipe diameter and revised mufflers.
Modification;
New front exhaust pipe
NOTE: A single-piece exhaust system is used in production. If only the rear muffler is to be changed during service operations, the exhaust system must be parted at dimension X=756 mm.

Transmission
The well proven 5-speed transmission of the Fiesta XR2i is installed with the same mounting arrangement. A viscous coupling is not integrated in this transmission as in the Escort RS Turbo.
The transmission ratios correspond to those of the XR2i, with one exception:
Final drive ratio 3.82 : 1
Interior Trim
Instrument Panel
New 150 mph speedometer

Sports Steering Wheel
Unique 3-spoke sports steering wheel (0 360 mm) with ‘turbo’ badge

Seats
Recaro seats with unique seat covers.
Seat lock at front right for both rails.

Exterior Trim
Modifications
Hood louvres
Unique rear spoiler
Tailgate badge on RHO: 11Fiesta RS turbo 11
Tailgate badge on LHD: 11Fiesta turbo 11
Blue and green inserts in the bumpers and side trim strips
Rear window designed as vent
Recess in front bumper
Unique mouldings and spoilers
Louvres
The louvres (see fig.) are secured in the hood with three screws.
Tightening torque: 0.8 – 1.4 Nm.

Rear Spoiler
Larger rear spoiler (see fig.) painted to match car colour.

Tailgate Badge
Both for right-hand drive (1, see fig.) as well as for left-hand drive (2) vehicles, the tailgate badge is on the left-hand side of the tailgate.

Rear Windows
The rear windows are designed as vents (see fig.)

Bumper
The front bumper is recessed (1, see fig.) to accommodate the new radiator fan (2).

Mouldings and Spoilers
The Fiesta RS Turbo is equipped as standard with three-piece body spoiler and moulding elements on either side of the vehicle as Fiesta XR2i.
The mouldings and spoilers are painted to match the vehicle colour.
The elements consist of the front and rear wheel arch spoilers (1 and 3, see fig.) and the rocker panel moulding (2).
Views: 66